Handbells as External Bells
If you plan to use Abel to learn or to practice handbell ringing, you may consider making some dummy handbells to use with the simulator. These work in much the same way as tower bell sensors, in that you need some means of producing a signal that Abel can use to determine when the bell strikes.
You will need two dummy handbells for each person that is to ring with the simulator. Real handbells with some kind of sensors attached, simple sticks of wood with mercury switches on one end, and devices incorporating switches and wooden ‘clappers' have all been used successfully with Abel.
The diagrams below show some sample designs you can use and a circuit diagram that can be used with either of these designs. You can of course design your own – this is Blue Peter Bellringing at its best! Use the examples here as a basis for your own ideas.
As an alternative to the designs below, which connect to the PC via a COM port (if necessary using a COM to USB adaptor), you can also use external motion controllers such as those available from ActionXL, using Handbell Manager to make them work with Abel.
This first design uses old computer keyboard switches, and a clapper made from dowelling. Wrap some felt around the end of the clapper and make a pad on the switches so that you don't get too much clapper rattle. Wire the switches in parallel – you tell Abel how to distinguish between handstroke and backstroke in the External Bells dialog.

The second design uses a reed switch – two if you prefer – and a magnet in the clapper to activate them. Putting the magnet in the clapper rather than the other way round avoids having to deal with metal fatigue in the wires leading to the switch!

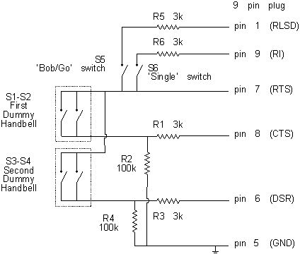
You can connect handbells like this directly to your PC using the following circuit

Of course, you can also connect your handbells using one of the more complex circuits given in Tower Bells as external bells, or using the Multi-Bell Interface
WARNING - if you connect dummy handbells or tower bell sensors to the serial ports of your PC you do so entirely at your own risk!
See also: